Subaru Outback Cooling Fan Relay

Radiator Fans Not Working Subaru Outback Forums

Radiator Fans Not Working Subaru Outback Forums

Drivers Side Cooling Fan Not Coming On Subaru Outback Forums

Drivers Side Cooling Fan Not Coming On Subaru Outback Forums

Radiator Sub Fan Subaru Outback Forums

Radiator Sub Fan Subaru Outback Forums

Cooling Fan Help Subaru Outback Forums

Cooling Fan Help Subaru Outback Forums

Fan Running All The Time Subaru Outback Forums

Fan Running All The Time Subaru Outback Forums

Radiator Fan Interior Switch And Indication Lights For Outback Subaru Outback Forums

Radiator Fan Interior Switch And Indication Lights For Outback Subaru Outback Forums

Radiator Fan Interior Switch And Indication Lights For Outback Subaru Outback Forums

Order subaru outback relay radiator cooling fan motor online today.

Subaru outback cooling fan relay.

When the correct parameters are met a temperature switch or. If i jump the main fan relay under the hood below the fan will also work. The repeated radiator seam failure could be a coincidence defective replacement or it could be due to excessive pressure build up in the cooling system. Free same day store pickup.

Cooling fan relay replacement service what is the cooling fan relay all about. Have the cap tested or to be sure replace it with the genuine subaru cap for your car. Check out free battery charging and engine diagnostic testing while you are in store. Most modern vehicles use electric cooling fans to help pull air through the radiator so that it can keep the engine cool.

Modern vehicles employ electric cooling fans to draw air into the engine compartment through the radiator and into the air conditioning condenser. I replaced the thermostat and the coolant temperature sensor with no results. But without jumping either one of these nothing. The radiator cap is the key to maintaining the proper pressure.

Most cooling fans use electric motors that have a moderate to high current draw and as a result are commonly controlled using relays. The cooling fan relay is the relay that controls the engine s cooling fans. Show example subaru outback cooling fan relay replacement prices.

Radiator Cooling Fan Issue Subaru Outback Forums

Radiator Cooling Fan Issue Subaru Outback Forums

Cooling Fan Relay Subaru Outback Forums

Cooling Fan Relay Subaru Outback Forums

No Main Fan Or Ac Fan Subaru Outback Forums

No Main Fan Or Ac Fan Subaru Outback Forums

Electrical Issues Ac Fuse Rad Fan Fuse Always Powered Abs Cruise Keeps Blowing Subaru Outback Forums

Electrical Issues Ac Fuse Rad Fan Fuse Always Powered Abs Cruise Keeps Blowing Subaru Outback Forums

Radiator Fans Will Not Turn On Subaru Outback Forums

Radiator Fans Will Not Turn On Subaru Outback Forums

Fuse Box Relay Location Subaru Outback 2011 2012 2013 2014 2015 2016 2017 2018 2019 2020 2021 2022 Youtube

Fuse Box Relay Location Subaru Outback 2011 2012 2013 2014 2015 2016 2017 2018 2019 2020 2021 2022 Youtube

2003 Subaru Outback H6 Ll Bean Trying To Find The Location Of The B253 Relay Have Been Troubleshooting Cooling Fans Not

2003 Subaru Outback H6 Ll Bean Trying To Find The Location Of The B253 Relay Have Been Troubleshooting Cooling Fans Not

Subaru Legacy Questions Why Aren T The Radiator Fans Not Working Cargurus

Subaru Legacy Questions Why Aren T The Radiator Fans Not Working Cargurus

Solved Picture Of The Cooling Fan Relay For A 97 Subaru Outback And Fixya

Solved Picture Of The Cooling Fan Relay For A 97 Subaru Outback And Fixya

Radiator Fan Not Turning On Automatically 2004 Outback H6 Subaru Outback Forums

Radiator Fan Not Turning On Automatically 2004 Outback H6 Subaru Outback Forums

Fuse Relay For 2012 Subaru Outback Subaru Parts Store

Fuse Relay For 2012 Subaru Outback Subaru Parts Store

Need 2001 Outback Wiring Diagram Sbf4 Ckt Subaru Outback Forums

Need 2001 Outback Wiring Diagram Sbf4 Ckt Subaru Outback Forums

Fan Power Draw H6 3 0 Engine Radiator Fans From 2002 Legacy Outback

Fan Power Draw H6 3 0 Engine Radiator Fans From 2002 Legacy Outback

2005 2020 Subaru Relay 82501ag08a Subaru Parts Store

2005 2020 Subaru Relay 82501ag08a Subaru Parts Store

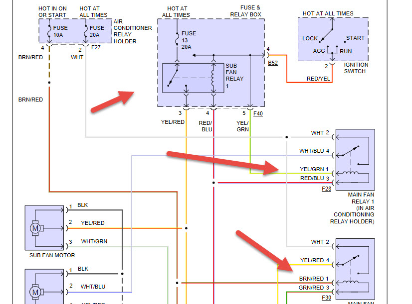
2003 Subaru Cooling Fan Wiring Diagram Change Starter Motor Citroen Xsara Pico Wallpaperall Cooling System Circuit Wiring Diagrams Mazda 6 Wiring Diagram Subaru Impreza 2004 Fuse Box Diagram 2009 Subaru Forester Engine

2003 Subaru Cooling Fan Wiring Diagram Change Starter Motor Citroen Xsara Pico Wallpaperall Cooling System Circuit Wiring Diagrams Mazda 6 Wiring Diagram Subaru Impreza 2004 Fuse Box Diagram 2009 Subaru Forester Engine

Subaru Outback 2000 Fuse Box Diagram Auto Genius

Subaru Outback 2000 Fuse Box Diagram Auto Genius

Fuel Pump Relay Location 96 Subaru Outback Legacy

Fuel Pump Relay Location 96 Subaru Outback Legacy

Subaru Outback 2004 Fuse Box Diagram Auto Genius

Subaru Outback 2004 Fuse Box Diagram Auto Genius

Https Encrypted Tbn0 Gstatic Com Images Q Tbn 3aand9gcteqdvx X Phzsvwyhzmjzbftxmpev1fjttz3s4z5p0wrgvwc4z Usqp Cau

Https Encrypted Tbn0 Gstatic Com Images Q Tbn 3aand9gcteqdvx X Phzsvwyhzmjzbftxmpev1fjttz3s4z5p0wrgvwc4z Usqp Cau

09 13 Intermittent Radiator Fan Issue And Overheating Subaru Forester Owners Forum

09 13 Intermittent Radiator Fan Issue And Overheating Subaru Forester Owners Forum

Genuine W0133 1837579 Auxiliary Engine Cooling Fan Relay For Subaru Models Walmart Com Walmart Com

Genuine W0133 1837579 Auxiliary Engine Cooling Fan Relay For Subaru Models Walmart Com Walmart Com

Ac Compressor Magnetic Clutch Not Getting Current Why Not I Have Replaced The Compressor Relay No Change The Clutch

Ac Compressor Magnetic Clutch Not Getting Current Why Not I Have Replaced The Compressor Relay No Change The Clutch

Turn On Ac Boom Blown Fuse Subaru Outback Forums

Turn On Ac Boom Blown Fuse Subaru Outback Forums

Subaru Outback 2011 Interior Fuse Box Block Circuit Breaker Diagram Carfusebox

Subaru Outback 2011 Interior Fuse Box Block Circuit Breaker Diagram Carfusebox

Subaru Outback 2003 Fuse Box Diagram Auto Genius

Subaru Outback 2003 Fuse Box Diagram Auto Genius

Subaru Outback 2001 2002 Fuse Box Diagram Auto Genius

Subaru Outback 2001 2002 Fuse Box Diagram Auto Genius

Subaru Outback 2010 2012 Fuse Box Diagram Auto Genius

Subaru Outback 2010 2012 Fuse Box Diagram Auto Genius

Cel Code P1520 Help Subaru Outback Forums

Cel Code P1520 Help Subaru Outback Forums

1997 Subaru Legacy Wagon How Do I Replace Fuel Pump Where Is The Fuel Pump Relay Located

1997 Subaru Legacy Wagon How Do I Replace Fuel Pump Where Is The Fuel Pump Relay Located

Cooling Fan The Fan Will Not Run Unless Air Conditioner Is On I

Cooling Fan The Fan Will Not Run Unless Air Conditioner Is On I

Sti Engine Bay Diagram Di 2020

Sti Engine Bay Diagram Di 2020

Fuse Relay For 2017 Subaru Outback Subaru Parts Store

Fuse Relay For 2017 Subaru Outback Subaru Parts Store

Cooling Fan Motor Relay 2006 Subaru Outback O Reilly Auto Parts

Cooling Fan Motor Relay 2006 Subaru Outback O Reilly Auto Parts

Oem 05 18 Subaru Engine Cooling Fan Motor Relay Impreza Wrx Legacy 82501ag08a Ebay

Oem 05 18 Subaru Engine Cooling Fan Motor Relay Impreza Wrx Legacy 82501ag08a Ebay

Fuse Box Relay Location Subaru Forester 2009 2010 2011 2012 2013 2014 2015 2016 2017 2018 2019 2020 Youtube

Fuse Box Relay Location Subaru Forester 2009 2010 2011 2012 2013 2014 2015 2016 2017 2018 2019 2020 Youtube

Cooling Fan Not Working 1990 To Present Legacy Impreza Outback Forester Baja Wrx Wrxsti Svx Ultimate Subaru Message Board

Cooling Fan Not Working 1990 To Present Legacy Impreza Outback Forester Baja Wrx Wrxsti Svx Ultimate Subaru Message Board

Diagram Wiring Diagram For Cooling Fan Relay Full Version Hd Quality Fan Relay Venndiagramclipart Anemonelab It

Diagram Wiring Diagram For Cooling Fan Relay Full Version Hd Quality Fan Relay Venndiagramclipart Anemonelab It

Amazon Com Dorman 621 258 Radiator Fan Assembly For Subaru Outback Automotive

Amazon Com Dorman 621 258 Radiator Fan Assembly For Subaru Outback Automotive

Fuse Box Location And Diagrams Subaru Outback Legacy 1999 2004 Youtube

Fuse Box Location And Diagrams Subaru Outback Legacy 1999 2004 Youtube

7 Subaru Legacy Engine Diagram Di 2020

7 Subaru Legacy Engine Diagram Di 2020

Blower Fan Relay Location 1990 To Present Legacy Impreza Outback Forester Baja Wrx Wrxsti Svx Ultimate Subaru Message Board

Blower Fan Relay Location 1990 To Present Legacy Impreza Outback Forester Baja Wrx Wrxsti Svx Ultimate Subaru Message Board

Subaru Impreza 2011 Fuse Box Diagram Auto Genius

Subaru Impreza 2011 Fuse Box Diagram Auto Genius

Which Electric Fan Relay With Thermostat The 1947 Present Chevrolet Gmc Truck Message Board Network

Which Electric Fan Relay With Thermostat The 1947 Present Chevrolet Gmc Truck Message Board Network

Https Encrypted Tbn0 Gstatic Com Images Q Tbn 3aand9gcrxadsegg1fer 5flnwthpolt3ewforxwrbcxl0 Ozr2afztaxc Usqp Cau

Https Encrypted Tbn0 Gstatic Com Images Q Tbn 3aand9gcrxadsegg1fer 5flnwthpolt3ewforxwrbcxl0 Ozr2afztaxc Usqp Cau

Source : pinterest.com